Browse: 53

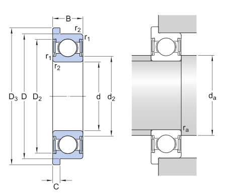
| Product model | W 604 R-2RS1 |
| d | 4 mm |
| D | 12 mm |
| B | 4 mm |
| Limiting speed | 36000 r/min |
| d2 | ≈5.6 mm |
| D2 | ≈9.85 mm |
| D3 | 13.5 mm |
| C | 1 mm |
| Chamfer size (r1,2) | min.0.2 mm |
| da | min.5.3 mm/max.5.5 mm |
| ra | max.0.2 mm |
| Pu | 0.008 kN |
| kr | 0.03 |
| f0 | 6.4 |
| Radial runout | 0.002 kg |