Browse: 78

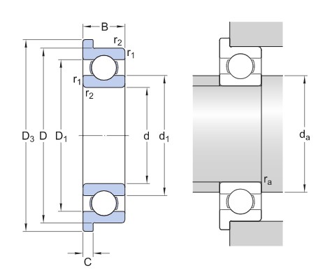
| Product model | W 619/3 R |
| d | 3 mm |
| D | 8 mm |
| B | 3 mm |
| Limiting speed | 95000 r/min |
| d1 | ≈4.35 mm |
| D1 | ≈6.65 mm |
| D2 | ≈6.65 mm |
| D3 | 9.5 mm |
| C | 0.7 mm |
| Chamfer size (r1,2) | min.0.15 mm |
| da | min.3.9 mm |
| ra | max.0.15 mm |
| Pu | 0.004 kN |
| Reference speed | 150 000 r/min |
| kr | 0.025 |
| f0 | 6.1 |