Browse: 82

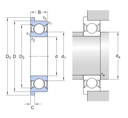
| Product model | W 638/2 X-2Z |
| d | 2 mm |
| D | 5 mm |
| B | 2.5 mm |
| Limiting speed | 100000 r/min |
| d1 | ≈2.7 mm |
| d2 | ≈2.7 mm |
| D2 | ≈4.4 mm |
| Chamfer size (r1,2) | min.0.1 mm |
| da | min.2.6 mm/max.2.6 mm |
| Da | max.4.5 mm |
| ra | max.0.1 mm |
| Pu | 0.001 kN |
| Reference speed | 180 000 r/min |
| kr | 0.02 |
| f0 | 6.5 |