Browse: 49

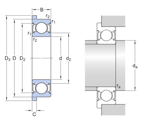
| Product model | W 619/5 R |
| d | 5 mm |
| D | 13 mm |
| B | 4 mm |
| Limiting speed | 70000 r/min |
| d2 | ≈6.6 mm |
| D1 | 0 |
| D2 | ≈11.2 mm |
| D3 | 15 mm |
| C | 1 mm |
| Chamfer size (r1,2) | min.0.2 mm |
| da | min.6.3 mm |
| Da | 0 |
| ra | max.0.2 mm |
| Pu | 0.014 kN |
| Reference speed | 110 000 r/min |
| kr | 0.025 |
| f0 | 10.5 |
| Radial runout | National Standard |
| Dimensional tolerance | National Standard |