Browse: 48

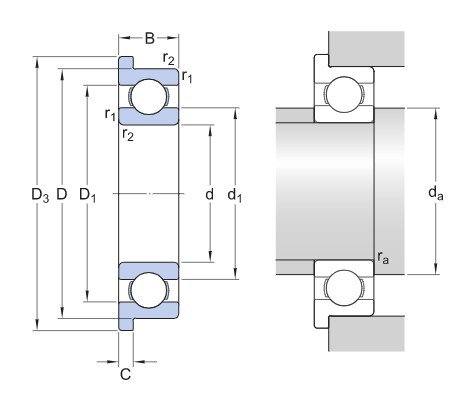
| Product model | D/W R3W.1562 R |
| d | 4.762 mm |
| D | 12.7 mm |
| B | 3.967 mm |
| Limiting speed | 70000 r/min |
| d1 | ≈6.95 mm |
| D1 | ≈10.45 mm |
| D2 | ≈10.45 mm |
| D3 | 14.351 mm |
| C | 1.067 mm |
| Chamfer size (r1,2) | min.0.3 mm |
| da | min.6.8 mm |
| ra | max.0.3 mm |
| Pu | 0.011 kN |
| Reference speed | 110 000 r/min |
| kr | 0.03 |
| f0 | 6.4 |