Browse: 47


| Product model | D/W R155 R |
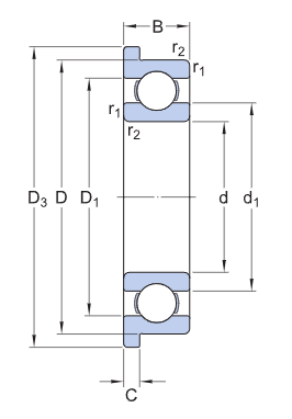
| d | 3.967 mm |
| D | 7.938 mm |
| B | 2.779 mm |
| Limiting speed | 90000 r/min |
| d1 | ≈5.53 mm |
| D1 | ≈7 mm |
| D2 | ≈7 mm |
| D3 | 9.119 mm |
| C | 0.584 mm |
| Chamfer size (r1,2) | min.0.1 mm |
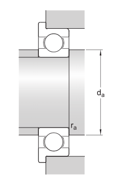
| da | min.4.8 mm |
| ra | max.0.1 mm |
| pu | 0.002 kN |
| Reference speed | 170 000 r/min |
| kr | 0.02 |
| f0 | 7.6 |
| Radial runout | National Standard |
| Dimensional tolerance | National Standard |