Browse: 55

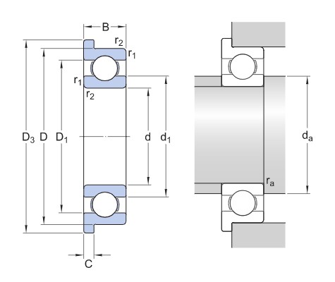
| Product model | W 618/2.5 R |
| d | 2.5 mm |
| D | 6 mm |
| B | 1.8 mm |
| Limiting speed | 110000 r/min |
| d1 | ≈3.7 mm |
| D1 | ≈3.05 mm |
| Chamfer size (r1,2) | min.0.08 mm |
| da | min.3.1 mm |
| ra | max.0.05 mm |
| pu | 0.002 kN |
| Reference speed | 170 000 r/min |
| kr | 0.02 |
| f0 | 7.1 |
| Bearing quality | 0 |
| Dimensional tolerance | National Standard |
| Radial runout | National Standard |
| D2 | ≈4.9 mm |
| D3 | 7.1 mm |
| C | 0.5 mm |